L’école de tir du TSSC est adhérente au dispositif “Cibles Couleurs“

Notre école de tir est organisée en deux sessions chaque mercredi après-midi hors vacances scolaires.
Première session de 14h à 15h30 suivie d’une deuxième session de 15h30 à 17h.
Des bénévoles titulaires de Brevets Fédérales encadrent les jeunes de 8 à 16 ans durant toute l’année.
La pratique du tir participe à l’apprentissage de la concentration, de la maîtrise de soi et du respect envers le matériel et autrui.
La Fédération a mis en place un système de progression grâce à des aides modulables en fonction de l’âge et du niveau des pratiquants (méthode nationale d’initiation).

Pour participer à l’école de tir, chaque jeune doit être titulaire d’une licence FFTIR et à jours de la cotisation club
Cibles Couleurs
Notre Ecole de Tir permet aux participants de bénéficier du dispositif de suivi de progression initié par le Fédération Française de Tir.

Ce dispositif “Cibles Couleurs“, comprend 7 niveaux d’apprentissages matérialisé par une couleur qui valide le niveau de pratique des jeunes tireurs.
Nos encadrants contrôlent les connaissances de chacun.
La remise d’un diplôme et d’une cible de couleur viennent récompenser les jeunes. Leur progression est alors enregistrée dans leur passeport individuel.
📋 Tableau : Catégories d’âge – École de Tir
| Catégorie | Âge | Coup(s) tiré(s) | Aide / matériel adapté | Tenue / Remarques |
| Poussins (Filles & Garçons) | Moins de 10 ans | 30 plombs en 40 min | Arme reposant sur bloc ressort | Vêtements de tir renforcés et chaussures basses : les « chaussures de tir » non autorisées. Gant de tir autorisé en carabine |


| Catégorie | Âge | Coup(s) tiré(s) | Aide / matériel adapté | Tenue / Remarques |
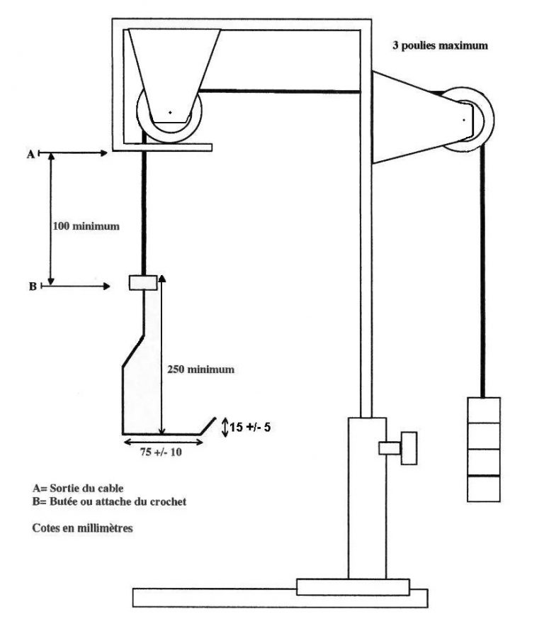
| Benjamins (Filles & Garçons) | Entre 11 et 12 ans | 30 plombs en 40 min | Arme reposant sur potence modulable (poulies / contrepoids) | Vêtements de tir renforcés et chaussures basses : les « chaussures de tir » non autorisées. Gant de tir autorisé en carabine. Le tireur debout. Aide matérielle partielle. |


| Catégorie | Âge | Coup(s) tiré(s) | Aide / matériel adapté | Tenue / Remarques |
| Minimes (Filles & Garçons) | Entre 13 et 14 ans | 40 plombs : • Cible électronique : 50 min • Cible papier : 60 min | Tir debout sans aide matérielle | Tenue complète de tir (comme les adultes) : veste et pantalon rigides, gant autorisé(carabine), chaussures de tir à semelles plates (pistolet), pas d’aide matérielle (tir debout autonome). |
